|
Der Pumpenkopf aus Stahlguss ist zum Schutz vor Korrosion mit einer hochwertigen Polymerbeschichtung überzogen.
- Kurbelwelle geschmiedet, vergütet und nitriert
- Pumpenkörper Grauguss lackiert
- Antriebswelle zweifach mit Pendelrollenlagern gelagert
- Pleuel geschmiedet und gleitgelagert
- Führungskolben geschliffen und hartverchromt
- Pumpenkopf aus Sphäroguss
- Plungerabdichtung getrennt in Hochdruck- und
Niederdruckdichtung mit integrierter Plungerkühlung
- Triebwerksabdichtung über stat. Ölabstreifringe
- Plunger Vollkeramik (Aluminiumoxid)
- Ventilkonstruktion wartungsfreundlich aus vergütetem Edelstahl
- Einlassventilausheber zur Entwässerung werden mitgeliefert
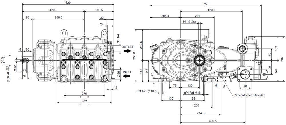
| Plungerhub: |
70 mm |
| Zulauftemp.max.: |
40° |
| Zulaufdruck max.: |
3 bar |
| Fördermedium: |
Wasser |
| Ölfüllung: |
9 Liter |
|
| Drehzahl |
Untersetzung |
| 1500 1/min |
i = 1:1,875 |
| 1800 1/min |
i = 1:2,238 |
| 2200 1/min |
i = 1:2,722 |
| 2600 1/min |
i = 1:3,211 |
|
Ausführungen MX-HP |
 |
|
| Modell |
Förderleistung |
Betriebsdruck |
Antriebsleistung |
Drehzahl |
Gewicht |
| max. [l / min] |
max. [bar] |
[kW] |
[1/min] |
[kg] |
| MX 32 |
135 |
400 |
103 |
1500 / 1800 / 2200 / 2600
800 (ohne Getriebe) |
279 |
| MX 36 |
171 |
350 |
114 |
| MX 40 |
211 |
275 |
111 |
|
Ausführungen MX-LP
|
 |
|
| Modell |
Förderleistung |
Betriebsdruck |
Antriebsleistung |
Drehzahl |
Gewicht |
| max. [l / min] |
max. [bar] |
[kW] |
[1/min] |
[kg] |
| MX2 45 |
267 |
200 |
102 |
1500 / 1800 / 2200 / 2600
800 (ohne Getriebe) |
275 |
| MX2 50 |
330 |
170 |
107 |
| MX2 55 |
399 |
140 |
107 |
|
|
|
MX-HP
MX2-LP |